Главная > Подшипники> Шариковые> Радиально-упорные>7908 A5

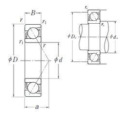
7908 A5 — Радиально-упорный шарикоподшипник, импортное производство по ISO стандарту, размер 40x62x12 номер основного исполнения 7908.
Производитель: NSK.
A = внутренняя модификация конструкции.
Цена от:3 369 р.
Цена на подшипник зависит от:
| Обозначение | Модификация |
|---|---|
| 7908 | Основное конструктивное исполнение. |
| 7908C | С = Необслуживаемые концы стержней, внутренняя резьба. |
| 7908DB | D = профиль наружного кольца, усовершенствованный, с увеличенной зоной несущей нагрузки и оптимизированными краевыми переходами. |
| 7908AC | AC = Угол контакта 25 градусов. |
| 7908DF | Комплект подшипников расположенных лицом к лицу, дуплексная Х-образная пара. |
| 7908DT | T = Механически обработанный сепаратор из текстолита, центрируемый по телам качения. |
| 7908CDF | Комплект подшипников расположенных лицом к лицу, дуплексная Х-образная пара. |
| 7908CDB | С = Необслуживаемые концы стержней, внутренняя резьба. |
| 7908CPA | С = Необслуживаемые концы стержней, внутренняя резьба. |
| 7908CDT | С = Необслуживаемые концы стержней, внутренняя резьба. |
| 7908CTRSU | С = Необслуживаемые концы стержней, внутренняя резьба. |
| 7908A5TRSU | Угол контакта 25 градусов. |
| 7908UG/GMP4 | М = Механически обработанный латунный сепаратор, центрируемый по телам качения. P4 = Точность размеров и вращения соответствуют классу точности 4 ISO. |
| 7908UCG/GNP4 | GN = нормальная предварительная нагрузка. P = Литой сепаратор из стеклонаполненного полиамида 6,6, центрируемый по телам качения. |
| 7908CGD2/GLP4 | P4 = Точность размеров и вращения соответствуют классу точности 4 ISO. |
| 7908UCG/GNP42 | GN = нормальная предварительная нагрузка. P = Литой сепаратор из стеклонаполненного полиамида 6,6, центрируемый по телам качения. |
| 7908UCG/GNUP-2 | UP = Специальный класс допуска для подшипников шпинделя станка. |
| 7908UCGD2/GLP4 | P4 = Точность размеров и вращения соответствуют классу точности 4 ISO. |
| 7908UADG/GNP42 | GN = нормальная предварительная нагрузка. P = Литой сепаратор из стеклонаполненного полиамида 6,6, центрируемый по телам качения. |
| 7908UADG/G7UP-4 | UP = Специальный класс допуска для подшипников шпинделя станка. |
| 7908ADLLBG/GNP42 | LLB = Уплотнение из синтетического каучука бесконтактного типа. |
| 7908CDLLBG/GNP42 | LLB = Уплотнение из синтетического каучука бесконтактного типа. |
| 5S-7908UCG/GNP42 | GN = нормальная предварительная нагрузка. P = Литой сепаратор из стеклонаполненного полиамида 6,6, центрируемый по телам качения. |
| 5S-7908UADG/GNP42 | GN = нормальная предварительная нагрузка. P = Литой сепаратор из стеклонаполненного полиамида 6,6, центрируемый по телам качения. |
| 7908UG/GMP4/15KQTQ | М = Механически обработанный латунный сепаратор, центрируемый по телам качения. P4 = Точность размеров и вращения соответствуют классу точности 4 ISO. |
| 5S-7908CDLLBG/GNP42 | LLB = Уплотнение из синтетического каучука бесконтактного типа. |
| 5S-7908ADLLBG/GNP42 | LLB = Уплотнение из синтетического каучука бесконтактного типа. |
Габаритные размеры
Размеры и геометрические характеристики
Нагрузка и ресурс
Защита
Присоединительные размеры
Конструкция и исполнение
Подшипник однорядный шариковый радиальный 61908 (CRAFT, CX, FAG, IBC, ISB)
Подшипник шариковый радиальный однорядный 1000908
Подшипник шариковый однорядный радиально-упорный B71908 E.T.P4S.UL (FAG)
Подшипник шариковый однорядный радиально-упорный HS71908 C.T.P4S.UL (FAG)