Главная > Подшипники> Шариковые> Радиально-упорные>7907 A5

7907 A5 — Радиально-упорный шарикоподшипник, импортное производство по ISO стандарту, размер 35x55x10 номер основного исполнения 7907.
Производитель: NSK.
A = внутренняя модификация конструкции.
Цена от:15 996 р.
Цена на подшипник зависит от:
| Обозначение | Модификация |
|---|---|
| 7907 | Основное конструктивное исполнение. |
| 7907C | С = Необслуживаемые концы стержней, внутренняя резьба. |
| 7907DT | T = Механически обработанный сепаратор из текстолита, центрируемый по телам качения. |
| 7907DF | Комплект подшипников расположенных лицом к лицу, дуплексная Х-образная пара. |
| 7907DB | D = профиль наружного кольца, усовершенствованный, с увеличенной зоной несущей нагрузки и оптимизированными краевыми переходами. |
| 7907AC | AC = Угол контакта 25 градусов. |
| 7907CDF | Комплект подшипников расположенных лицом к лицу, дуплексная Х-образная пара. |
| 7907CDT | С = Необслуживаемые концы стержней, внутренняя резьба. |
| 7907CPA | С = Необслуживаемые концы стержней, внутренняя резьба. |
| 7907CDB | С = Необслуживаемые концы стержней, внутренняя резьба. |
| 7907DBP5 | P5 = Подшипники 5-го класса точности DIN |
| 7907CTRSU | С = Необслуживаемые концы стержней, внутренняя резьба. |
| 7907A5TRSU | Угол контакта 25 градусов. |
| 7907CG/GNP4 | GN = нормальная предварительная нагрузка. P = Литой сепаратор из стеклонаполненного полиамида 6,6, центрируемый по телам качения. |
| 7907UG/GNP42 | GN = нормальная предварительная нагрузка. P = Литой сепаратор из стеклонаполненного полиамида 6,6, центрируемый по телам качения. |
| 7907UCG/GNP4 | GN = нормальная предварительная нагрузка. P = Литой сепаратор из стеклонаполненного полиамида 6,6, центрируемый по телам качения. |
| 7907UG/GMP42 | М = Механически обработанный латунный сепаратор, центрируемый по телам качения. P4 = Точность размеров и вращения соответствуют классу точности 4 ISO. |
| 7907UCG/GNP42 | GN = нормальная предварительная нагрузка. P = Литой сепаратор из стеклонаполненного полиамида 6,6, центрируемый по телам качения. |
| 7907UADG/GNP42 | GN = нормальная предварительная нагрузка. P = Литой сепаратор из стеклонаполненного полиамида 6,6, центрируемый по телам качения. |
| 7907ADLLBG/GNP42 | LLB = Уплотнение из синтетического каучука бесконтактного типа. |
| 5S-7907UCG/GNP42 | GN = нормальная предварительная нагрузка. P = Литой сепаратор из стеклонаполненного полиамида 6,6, центрируемый по телам качения. |
| 7907CDLLBG/GNP42 | LLB = Уплотнение из синтетического каучука бесконтактного типа. |
| 5S-7907UADG/GNP42 | GN = нормальная предварительная нагрузка. P = Литой сепаратор из стеклонаполненного полиамида 6,6, центрируемый по телам качения. |
| 5S-7907CDLLBG/GNP42 | LLB = Уплотнение из синтетического каучука бесконтактного типа. |
| 5S-7907ADLLBG/GNP42 | LLB = Уплотнение из синтетического каучука бесконтактного типа. |
| 7907UG/GNP42/15KQTQ | GN = нормальная предварительная нагрузка. P = Литой сепаратор из стеклонаполненного полиамида 6,6, центрируемый по телам качения. |
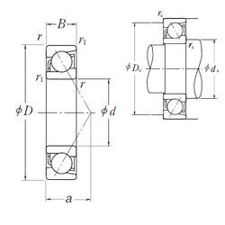
Габаритные размеры
Размеры и геометрические характеристики
Нагрузка и ресурс
Защита
Присоединительные размеры
Конструкция и исполнение
Подшипник однорядный шариковый радиальный 61907 (CRAFT, CX, FAG, IBC, ISB)
Подшипник шариковый радиальный однорядный 1000907
Подшипник шариковый радиально-упорный однорядный неразъемный со скосом на наружном кольце 1036907