Главная > Подшипники> Шариковые> Радиально-упорные>7906 A5

7906 A5 — Радиально-упорный шарикоподшипник, импортное производство по ISO стандарту, размер 30x47x9 номер основного исполнения 7906.
Производитель: NSK.
A = внутренняя модификация конструкции.
Цена от:2 071 р.
Цена на подшипник зависит от:
| Обозначение | Модификация |
|---|---|
| 7906C | С = Необслуживаемые концы стержней, внутренняя резьба. |
| 7906DT | T = Механически обработанный сепаратор из текстолита, центрируемый по телам качения. |
| 7906AC | AC = Угол контакта 25 градусов. |
| 7906DB | D = профиль наружного кольца, усовершенствованный, с увеличенной зоной несущей нагрузки и оптимизированными краевыми переходами. |
| 7906DF | Комплект подшипников расположенных лицом к лицу, дуплексная Х-образная пара. |
| 7906CDB | С = Необслуживаемые концы стержней, внутренняя резьба. |
| 7906CDT | С = Необслуживаемые концы стержней, внутренняя резьба. |
| 7906CDF | Комплект подшипников расположенных лицом к лицу, дуплексная Х-образная пара. |
| 7906CPA | С = Необслуживаемые концы стержней, внутренняя резьба. |
| 7906UCP4 | P4 = Точность размеров и вращения соответствуют классу точности 4 ISO. |
| 7906CTRSU | С = Необслуживаемые концы стержней, внутренняя резьба. |
| 7906A5TRSU | Угол контакта 25 градусов. |
| 7906UG/GMP4 | М = Механически обработанный латунный сепаратор, центрируемый по телам качения. P4 = Точность размеров и вращения соответствуют классу точности 4 ISO. |
| 7906G/GMP42 | М = Механически обработанный латунный сепаратор, центрируемый по телам качения. P4 = Точность размеров и вращения соответствуют классу точности 4 ISO. |
| 7906CG/GNP4 | GN = нормальная предварительная нагрузка. P = Литой сепаратор из стеклонаполненного полиамида 6,6, центрируемый по телам качения. |
| 7906UCG/GNP4 | GN = нормальная предварительная нагрузка. P = Литой сепаратор из стеклонаполненного полиамида 6,6, центрируемый по телам качения. |
| 7906UCG/GNP42 | GN = нормальная предварительная нагрузка. P = Литой сепаратор из стеклонаполненного полиамида 6,6, центрируемый по телам качения. |
| 7906UADG/GNP42 | GN = нормальная предварительная нагрузка. P = Литой сепаратор из стеклонаполненного полиамида 6,6, центрируемый по телам качения. |
| 5S-7906UCG/GNP42 | GN = нормальная предварительная нагрузка. P = Литой сепаратор из стеклонаполненного полиамида 6,6, центрируемый по телам качения. |
| 7906ADLLBG/GNP42 | LLB = Уплотнение из синтетического каучука бесконтактного типа. |
| 7906CDLLBG/GNP42 | LLB = Уплотнение из синтетического каучука бесконтактного типа. |
| 5S-7906UADG/GNP42 | GN = нормальная предварительная нагрузка. P = Литой сепаратор из стеклонаполненного полиамида 6,6, центрируемый по телам качения. |
| 7906UG/GMP4/15KQTQ | М = Механически обработанный латунный сепаратор, центрируемый по телам качения. P4 = Точность размеров и вращения соответствуют классу точности 4 ISO. |
| 7906G/GNP42/15KQTGH | GN = нормальная предварительная нагрузка. P = Литой сепаратор из стеклонаполненного полиамида 6,6, центрируемый по телам качения. |
| 5S-7906ADLLBG/GNP42 | LLB = Уплотнение из синтетического каучука бесконтактного типа. |
| 5S-7906CDLLBG/GNP42 | LLB = Уплотнение из синтетического каучука бесконтактного типа. |
| 7906CDLLBG/GLP42/L749 | LLB = Уплотнение из синтетического каучука бесконтактного типа. |
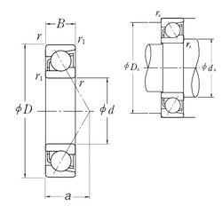
Габаритные размеры
Размеры и геометрические характеристики
Нагрузка и ресурс
Защита
Присоединительные размеры
Конструкция и исполнение
Подшипник шариковый однорядный радиально-упорный B71906 C.T.P4S.UL (FAG)
Подшипник шариковый однорядный радиально-упорный B71906 E.T.P4S.UL (FAG)
Подшипник шариковый однорядный радиально-упорный HS71906 E.T.P4S.UL (FAG)