Главная > Подшипники> Шариковые> Радиально-упорные>7905C

7905C — Подшипник шариковый радиально-упорный, импортное производство по ISO стандарту, размер 25x42x9 номер основного исполнения 7905.
Производится брендами: CYSD, KOYO, NACHI, NSK, NTN.
С = Необслуживаемые концы стержней, внутренняя резьба.
Цена от:1 952 р.
Цена на подшипник зависит от:
| Обозначение | Модификация |
|---|---|
| 7905 | Основное конструктивное исполнение. |
| 7905DB | D = профиль наружного кольца, усовершенствованный, с увеличенной зоной несущей нагрузки и оптимизированными краевыми переходами. |
| 7905DT | T = Механически обработанный сепаратор из текстолита, центрируемый по телам качения. |
| 7905DF | Комплект подшипников расположенных лицом к лицу, дуплексная Х-образная пара. |
| 7905AC | AC = Угол контакта 25 градусов. |
| 7905CDF | Комплект подшипников расположенных лицом к лицу, дуплексная Х-образная пара. |
| 7905CPA | С = Необслуживаемые концы стержней, внутренняя резьба. |
| 7905CDT | С = Необслуживаемые концы стержней, внутренняя резьба. |
| 7905 A5 | A = внутренняя модификация конструкции. |
| 7905CDB | С = Необслуживаемые концы стержней, внутренняя резьба. |
| 7905CTRSU | С = Необслуживаемые концы стержней, внутренняя резьба. |
| 7905G/GMP4 | М = Механически обработанный латунный сепаратор, центрируемый по телам качения. P4 = Точность размеров и вращения соответствуют классу точности 4 ISO. |
| 7905A5TRSU | Угол контакта 25 градусов. |
| 7905UCG/GNP4 | GN = нормальная предварительная нагрузка. P = Литой сепаратор из стеклонаполненного полиамида 6,6, центрируемый по телам качения. |
| 7905UG/GMP42 | М = Механически обработанный латунный сепаратор, центрируемый по телам качения. P4 = Точность размеров и вращения соответствуют классу точности 4 ISO. |
| 7905UCG/GNP42 | GN = нормальная предварительная нагрузка. P = Литой сепаратор из стеклонаполненного полиамида 6,6, центрируемый по телам качения. |
| 7905UADG/GNP42 | GN = нормальная предварительная нагрузка. P = Литой сепаратор из стеклонаполненного полиамида 6,6, центрируемый по телам качения. |
| 7905CDLLBG/GNP42 | LLB = Уплотнение из синтетического каучука бесконтактного типа. |
| 5S-7905UCG/GNP42 | GN = нормальная предварительная нагрузка. P = Литой сепаратор из стеклонаполненного полиамида 6,6, центрируемый по телам качения. |
| 7905ADLLBG/GNP42 | LLB = Уплотнение из синтетического каучука бесконтактного типа. |
| 5S-7905UADG/GNP42 | GN = нормальная предварительная нагрузка. P = Литой сепаратор из стеклонаполненного полиамида 6,6, центрируемый по телам качения. |
| 7905UG/GHP4/15KQTQ | P4 = Точность размеров и вращения соответствуют классу точности 4 ISO. |
| 7905UG/GMP4/15KQTQ | М = Механически обработанный латунный сепаратор, центрируемый по телам качения. P4 = Точность размеров и вращения соответствуют классу точности 4 ISO. |
| 7905UG/GMP42/L606Q1 | М = Механически обработанный латунный сепаратор, центрируемый по телам качения. P4 = Точность размеров и вращения соответствуют классу точности 4 ISO. |
| 7905UCG/GNP4/15KQTQ | GN = нормальная предварительная нагрузка. P = Литой сепаратор из стеклонаполненного полиамида 6,6, центрируемый по телам качения. |
| 5S-7905ADLLBG/GNP42 | LLB = Уплотнение из синтетического каучука бесконтактного типа. |
| 5S-7905CDLLBG/GNP42 | LLB = Уплотнение из синтетического каучука бесконтактного типа. |
| 7905G/GMUP-3/L606Q1 | UP = Специальный класс допуска для подшипников шпинделя станка. |
| 7905UG/GNP42/L606Q1 | GN = нормальная предварительная нагрузка. P = Литой сепаратор из стеклонаполненного полиамида 6,6, центрируемый по телам качения. |
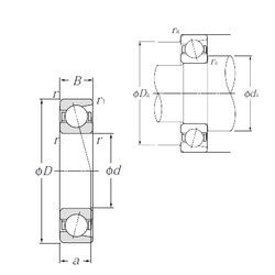
Габаритные размеры
Размеры и геометрические характеристики
Нагрузка и ресурс
Защита
Коэффициенты для расчета
Присоединительные размеры
Конструкция и исполнение
Подшипник однорядный шариковый радиальный 61905 (CRAFT, CX, FAG, ISB, ISO)
Подшипник шариковый однорядный радиально-упорный HS71905 C.T.P4S.UL (FAG)
Подшипник шариковый однорядный радиально-упорный HS71905 E.T.P4S.UL (FAG)
Подшипник однорядный шариковый радиальный 61905 C3 (FAG)
Подшипник однорядный шариковый радиальный 61905 2RSR (FAG, NKE)