Главная > Подшипники> Шариковые> Радиально-упорные>7904C

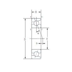
7904C — Радиально-упорный шарикоподшипник, импортное производство по ISO стандарту, размер 20x37x9 номер основного исполнения 7904.
Производится брендами: KOYO, NACHI, NSK.
С = Необслуживаемые концы стержней, внутренняя резьба.
Цена от:1 864 р.
Цена на подшипник зависит от:
| Обозначение | Модификация |
|---|---|
| 7904AC | AC = Угол контакта 25 градусов. |
| 7904CPA | С = Необслуживаемые концы стержней, внутренняя резьба. |
| 7904 A5 | A = внутренняя модификация конструкции. |
| 7904CTRSU | С = Необслуживаемые концы стержней, внутренняя резьба. |
| 7904A5TRSU | Угол контакта 25 градусов. |
| 7904UCG/GMP4 | М = Механически обработанный латунный сепаратор, центрируемый по телам качения. P4 = Точность размеров и вращения соответствуют классу точности 4 ISO. |
| 7904UG/GMP42 | М = Механически обработанный латунный сепаратор, центрируемый по телам качения. P4 = Точность размеров и вращения соответствуют классу точности 4 ISO. |
| 7904UCG/GNP4 | GN = нормальная предварительная нагрузка. P = Литой сепаратор из стеклонаполненного полиамида 6,6, центрируемый по телам качения. |
| 7904T1G/GNP4 | GN = нормальная предварительная нагрузка. P = Литой сепаратор из стеклонаполненного полиамида 6,6, центрируемый по телам качения. |
| 7904UCG/GNP42 | GN = нормальная предварительная нагрузка. P = Литой сепаратор из стеклонаполненного полиамида 6,6, центрируемый по телам качения. |
| 7904UCGD2/GLP4 | P4 = Точность размеров и вращения соответствуют классу точности 4 ISO. |
| 7904UADG/GNP42 | GN = нормальная предварительная нагрузка. P = Литой сепаратор из стеклонаполненного полиамида 6,6, центрируемый по телам качения. |
| 7904UCDB+8/GNP5 | GN = нормальная предварительная нагрузка. P = Литой сепаратор из стеклонаполненного полиамида 6,6, центрируемый по телам качения. |
| 7904UADG/G4UP-5 | P5 = Подшипники 5-го класса точности DIN |
| 7904CDLLBG/GNP42 | LLB = Уплотнение из синтетического каучука бесконтактного типа. |
| 5S-7904UCG/GNP42 | GN = нормальная предварительная нагрузка. P = Литой сепаратор из стеклонаполненного полиамида 6,6, центрируемый по телам качения. |
| 7904ADLLBG/GNP42 | LLB = Уплотнение из синтетического каучука бесконтактного типа. |
| 5S-7904UADG/GNP42 | GN = нормальная предварительная нагрузка. P = Литой сепаратор из стеклонаполненного полиамида 6,6, центрируемый по телам качения. |
| 7904CG/GMP4/15KQTQ | М = Механически обработанный латунный сепаратор, центрируемый по телам качения. P4 = Точность размеров и вращения соответствуют классу точности 4 ISO. |
| 5S-7904CDLLBG/GNP42 | LLB = Уплотнение из синтетического каучука бесконтактного типа. |
| 5S-7904ADLLBG/GNP42 | LLB = Уплотнение из синтетического каучука бесконтактного типа. |
| 7904UG/GMP42/L606Q1 | М = Механически обработанный латунный сепаратор, центрируемый по телам качения. P4 = Точность размеров и вращения соответствуют классу точности 4 ISO. |
Габаритные размеры
Размеры и геометрические характеристики
Нагрузка и ресурс
Защита
Коэффициенты для расчета
Присоединительные размеры
Конструкция и исполнение
Подшипник однорядный шариковый радиальный 61904 (CRAFT, CX, FAG, Fersa, ISB)
Подшипник шариковый однорядный радиально-упорный B71904 C.T.P4S.UL (FAG)
Подшипник шариковый однорядный радиально-упорный B71904 E.T.P4S.UL (FAG)
Подшипник шариковый однорядный радиально-упорный HS71904 C.T.P4S.UL (FAG)