Главная > Подшипники> Шариковые> Радиально-упорные>7902 C

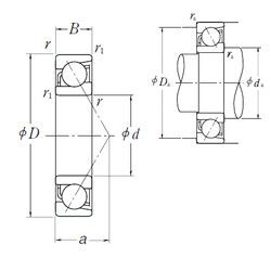
7902 C — Радиально-упорный шарикоподшипник, импортное производство по ISO стандарту, размер 15x28x7 номер основного исполнения .
Производится брендами: KOYO, NACHI, NSK.
С = Необслуживаемые концы стержней, внутренняя резьба.
Цена от:2 207 р.
Цена на подшипник зависит от:
Габаритные размеры
Размеры и геометрические характеристики
Нагрузка и ресурс
Защита
Коэффициенты для расчета
Присоединительные размеры
Конструкция и исполнение
Подшипник однорядный шариковый радиальный 61902 (CRAFT, CX, FAG, ISB, ISO)
Подшипник шариковый однорядный радиально-упорный B71902 E.T.P4S.UL (FAG)
Подшипник шариковый однорядный радиально-упорный HS71902 C.T.P4S.UL (FAG)
Подшипник однорядный шариковый радиальный 61902 2Z (FAG, NKE, SKF, ZEN)