Главная > Подшипники> Шариковые> Радиально-упорные>7901C

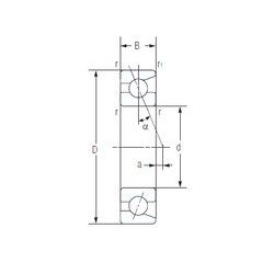
7901C — Радиально-упорный шарикоподшипник, импортное производство по ISO стандарту, размер 12x24x6 номер основного исполнения .
Производится брендами: KOYO, NACHI, NSK.
С = Необслуживаемые концы стержней, внутренняя резьба.
Цена от:2 130 р.
Цена на подшипник зависит от:
Габаритные размеры
Размеры и геометрические характеристики
Нагрузка и ресурс
Защита
Коэффициенты для расчета
Присоединительные размеры
Конструкция и исполнение
Подшипник однорядный шариковый радиальный 61901 (CRAFT, CX, FAG, IBC, ISB)
Подшипник однорядный шариковый радиальный 61901 2Z.C3 (IBC)
Подшипник однорядный шариковый радиальный 61901 C3 (IBC)
Подшипник однорядный шариковый радиальный 61901 2RS1 (IBC, SKF)
Подшипник однорядный шариковый радиальный 61901 2Z (FAG, IBC, NKE, SKF, ZEN)
Подшипник шариковый радиальный однорядный 1000901