Главная > Подшипники> Шариковые> Радиально-упорные>7901AC

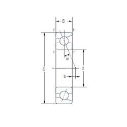
7901AC — Радиально-упорный шарикоподшипник, импортное производство по ISO стандарту, размер 12x24x6 номер основного исполнения .
Производитель: NACHI.
AC = Угол контакта 25 градусов.
Цена от:2 130 р.
Цена на подшипник зависит от:
Габаритные размеры
Размеры и геометрические характеристики
Нагрузка и ресурс
Защита
Присоединительные размеры
Конструкция и исполнение
Подшипник однорядный шариковый радиальный 61901 (CRAFT, CX, FAG, IBC, ISB)
Подшипник однорядный шариковый радиальный 61901 2Z.C3 (IBC)
Подшипник однорядный шариковый радиальный 61901 C3 (IBC)
Подшипник однорядный шариковый радиальный 61901 2RS1 (IBC, SKF)
Подшипник однорядный шариковый радиальный 61901 2Z (FAG, IBC, NKE, SKF, ZEN)
Подшипник шариковый радиальный однорядный 1000901