Главная > Подшипники> Шариковые> Радиально-упорные>7900C

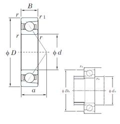
7900C — Радиально-упорный шарикоподшипник, импортное производство по ISO стандарту, размер 10x22x6 номер основного исполнения .
Производится брендами: KOYO, NACHI, NSK.
С = Необслуживаемые концы стержней, внутренняя резьба.
Цена от:1 936 р.
Цена на подшипник зависит от:
Габаритные размеры
Размеры и геометрические характеристики
Нагрузка и ресурс
Защита
Коэффициенты для расчета
Присоединительные размеры
Конструкция и исполнение
Подшипник однорядный шариковый радиальный 61900 (CRAFT, CX, FAG, ISB, ISO)
Подшипник однорядный шариковый радиальный 619002RS1 (FAG, SKF)
Подшипник однорядный шариковый радиальный 619002Z (FAG, NKE, SKF, ZEN)
Подшипник шариковый радиальный 06-1000900 ЮТП (ГПЗ-4)