Главная > Подшипники> Шариковые> Радиально-упорные>7900 A5

7900 A5 — Радиально-упорный шарикоподшипник, импортное производство по ISO стандарту, размер 10x22x6 номер основного исполнения .
Производитель: NSK.
A = внутренняя модификация конструкции.
Цена от:1 936 р.
Цена на подшипник зависит от:
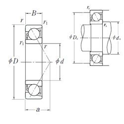
Габаритные размеры
Размеры и геометрические характеристики
Нагрузка и ресурс
Защита
Присоединительные размеры
Конструкция и исполнение
Подшипник однорядный шариковый радиальный 61900 (CRAFT, CX, FAG, ISB, ISO)
Подшипник однорядный шариковый радиальный 619002RS1 (FAG, SKF)
Подшипник однорядный шариковый радиальный 619002Z (FAG, NKE, SKF, ZEN)
Подшипник шариковый радиальный 06-1000900 ЮТП (ГПЗ-4)