Главная > Подшипники> Шариковые> Радиально-упорные>7872B

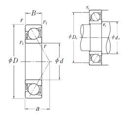
7872B — Радиально-упорный шарикоподшипник, импортное производство по ISO стандарту, размер 360x440x38 номер основного исполнения 7872.
Производитель: NSK.
B = однокомпонентное ребристое внутреннее кольцо.
Цена по запросу
Цена на подшипник зависит от:
Габаритные размеры
Размеры и геометрические характеристики
Нагрузка и ресурс
Защита
Присоединительные размеры
Конструкция и исполнение
Подшипник однорядный шариковый радиальный 61872 (CX, FAG, ISO, ZEN)
Подшипник однорядный шариковый радиальный 61872 MA (FAG, ISB, NKE, SKF)
Подшипник шариковый радиально-упорный однорядный неразъемный со скосом на наружном кольце 1036872 Л (ГПЗ-23)
Подшипник однорядный шариковый радиальный 61872-M (FAG)
Подшипник однорядный шариковый радиальный 6872 (KOYO, NIS, NSK, NTN)
Цилиндрический роликоподшипник N1872 (CX, ISO)