Главная > Подшипники> Роликовые > Радиально-упорные>787/772

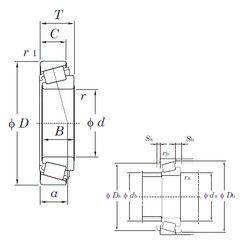
787/772 — Однорядный конический роликовый подшипник, импортное производство по ISO стандарту, размер 104x180x47 номер основного исполнения .
Производится брендами: CX, FBJ, ISO, KOYO, NIS, NSK, TIMKEN.
Цена по запросу
Цена на подшипник зависит от:
Габаритные размеры
Размеры и геометрические характеристики
Нагрузка и ресурс
Защита
Коэффициенты для расчета
Присоединительные размеры
Конструкция и исполнение
Прочие характеристики
Однорядный конический роликовый подшипник 786/772 (CX, FBJ, ISO, KOYO, NSK)
Конический роликоподшипник 4T-782/772 (NTN)
Однорядный конический роликовый подшипник 782/772 (CX, FBJ, ISO, KOYO, NACHI)