Главная > Подшипники> Шариковые> Радиально-упорные>7868A

7868A — Радиально-упорный шарикоподшипник, импортное производство по ISO стандарту, размер 340x420x38 номер основного исполнения 7868.
Производитель: NSK.
A = внутренняя модификация конструкции.
Цена по запросу
Цена на подшипник зависит от:
Габаритные размеры
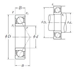
Размеры и геометрические характеристики
Нагрузка и ресурс
Защита
Присоединительные размеры
Конструкция и исполнение
Подшипник однорядный шариковый радиальный 61868 (CX, ISO, SKF, ZEN)
Подшипник шариковый радиальный однорядный 1000868
Подшипник шариковый радиальный 1000868Л (EPK)
Подшипник шариковый радиальный однорядный 6-1000868 Л (ГПЗ-4)
Подшипник роликовый радиальный 1032868М (EPK)