Главная > Подшипники> Шариковые> Радиально-упорные>7848A

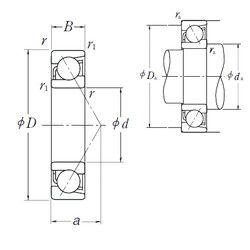
7848A — Радиально-упорный шарикоподшипник, импортное производство по ISO стандарту, размер 240x300x28 номер основного исполнения 7848.
Производитель: NSK.
A = внутренняя модификация конструкции.
Цена по запросу
Цена на подшипник зависит от:
| Обозначение | Модификация |
|---|---|
| 7848 | Основное конструктивное исполнение. |
| 7848B | B = однокомпонентное ребристое внутреннее кольцо. |
| 7848DB | D = профиль наружного кольца, усовершенствованный, с увеличенной зоной несущей нагрузки и оптимизированными краевыми переходами. |
| 7848DB/GNP5 | GN = нормальная предварительная нагрузка. P = Литой сепаратор из стеклонаполненного полиамида 6,6, центрируемый по телам качения. |
Габаритные размеры
Размеры и геометрические характеристики
Нагрузка и ресурс
Защита
Присоединительные размеры
Конструкция и исполнение
Подшипник однорядный шариковый радиальный 61848 (CX, FAG, INA, ISB, ISO)
Подшипник однорядный шариковый радиальный 61848 M.C3 (INA)
Подшипник шариковый радиальный однорядный 1000848
Подшипник шариковый радиальный 1000848 АЛ (ГПЗ-23)
Подшипник роликовый радиально-упорный 1007748Л (EPK)