Главная > Подшипники> Шариковые> Радиально-упорные>7844B

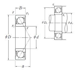
7844B — Радиально-упорный шарикоподшипник, импортное производство по ISO стандарту, размер 220x270x24 номер основного исполнения 7844.
Производитель: NSK.
B = однокомпонентное ребристое внутреннее кольцо.
Цена по запросу
Цена на подшипник зависит от:
Габаритные размеры
Размеры и геометрические характеристики
Нагрузка и ресурс
Защита
Присоединительные размеры
Конструкция и исполнение
Подшипник однорядный шариковый радиальный 61844 (CX, FAG, ISB, ISO, NKE)
Подшипник однорядный шариковый радиальный 61844 MA (FAG)
Подшипник однорядный шариковый радиальный 61844 MA.C3 (FAG)
Подшипник однорядный шариковый радиальный 61844 C3 (FAG)
Подшипник шариковый радиальный однорядный 1000844 Л