Главная > Подшипники> Роликовые > Радиально-упорные>782D/772+Y6S-772

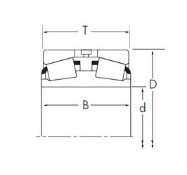
782D/772+Y6S-772 — Конический роликоподшипник, импортное производство по ISO стандарту, размер 104x180x101 номер основного исполнения .
Производитель: TIMKEN.
D = профиль наружного кольца, усовершенствованный, с увеличенной зоной несущей нагрузки и оптимизированными краевыми переходами.
Цена от:8 025 р.
Цена на подшипник зависит от:
Габаритные размеры
Размеры и геометрические характеристики
Защита
Конструкция и исполнение