Главная > Подшипники> Роликовые > Радиально-упорные>78250/78551

78250/78551 — Однорядный конический роликовый подшипник, импортное производство по ISO стандарту, размер 63x140x36 номер основного исполнения .
Производится брендами: CX, FBJ, ISO, NACHI, NIS, NSK, TIMKEN.
Цена от:1 807 р.
Цена на подшипник зависит от:
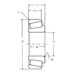
Габаритные размеры
Размеры и геометрические характеристики
Нагрузка и ресурс
Защита
Коэффициенты для расчета
Присоединительные размеры
Конструкция и исполнение
Прочие характеристики