Главная > Подшипники> Шариковые> Радиально-упорные>7821C

7821C — Подшипник шариковый радиально-упорный, импортное производство по ISO стандарту, размер 105x130x13 номер основного исполнения 7821.
Производится брендами: CYSD, NTN.
С = Необслуживаемые концы стержней, внутренняя резьба.
Цена по запросу
Цена на подшипник зависит от:
| Обозначение | Модификация |
|---|---|
| 7821 | Основное конструктивное исполнение. |
| 7821CDB | С = Необслуживаемые концы стержней, внутренняя резьба. |
| 7821CDF | Комплект подшипников расположенных лицом к лицу, дуплексная Х-образная пара. |
| 7821CDT | С = Необслуживаемые концы стержней, внутренняя резьба. |
| 7821CG/GNP42 | GN = нормальная предварительная нагрузка. P = Литой сепаратор из стеклонаполненного полиамида 6,6, центрируемый по телам качения. |
| 5S-7821CG/GNP42 | GN = нормальная предварительная нагрузка. P = Литой сепаратор из стеклонаполненного полиамида 6,6, центрируемый по телам качения. |
| Техника | Модель | Агрегат |
|---|---|---|
| МАЗ | 537Г | Ступица колес |
| МАЗ | 537 | Ступица колес |
| МАЗ | 543 | Ступица колес |
| МАЗ | 547 | Ступица колес |
| МАЗ | 7310 | Ступица колес |
| МАЗ | 73101 | Ступица колес |
| МАЗ | 7410 | Ступица колес |
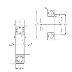
Габаритные размеры
Размеры и геометрические характеристики
Нагрузка и ресурс
Защита
Коэффициенты для расчета
Присоединительные размеры
Конструкция и исполнение
Подшипник однорядный шариковый радиальный 61821 2ZY (FAG, NKE)
Подшипник однорядный шариковый радиальный 61821 C3 (NKE)
Подшипник однорядный шариковый радиальный 61821 2RSR.C3 (NKE)
Подшипник шариковый радиальный однорядный 1000821
Подшипник шариковый радиальный однорядный 1000821 Л
Подшипник шариковый радиальный однорядный 45-1000821 Ю1 (ГПЗ-4)