Главная > Подшипники> Роликовые > Радиально-упорные>78216D/78551

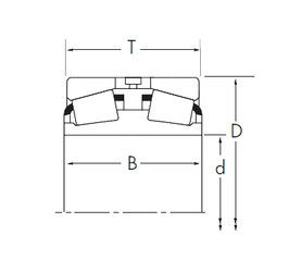
78216D/78551 — Конический роликоподшипник, импортное производство по ISO стандарту, размер 54x140x66 номер основного исполнения 78216.
Производитель: TIMKEN.
D = профиль наружного кольца, усовершенствованный, с увеличенной зоной несущей нагрузки и оптимизированными краевыми переходами.
Цена по запросу
Цена на подшипник зависит от:
Габаритные размеры
Размеры и геометрические характеристики
Защита
Конструкция и исполнение