Главная > Подшипники> Шариковые> Радиально-упорные>7818C

7818C — Подшипник шариковый радиально-упорный, импортное производство по ISO стандарту, размер 90x115x13 номер основного исполнения 7818.
Производится брендами: CYSD, NTN.
С = Необслуживаемые концы стержней, внутренняя резьба.
Цена по запросу
Цена на подшипник зависит от:
| Обозначение | Модификация |
|---|---|
| 7818CDT | С = Необслуживаемые концы стержней, внутренняя резьба. |
| 7818CDF | Комплект подшипников расположенных лицом к лицу, дуплексная Х-образная пара. |
| 7818CDB | С = Необслуживаемые концы стержней, внутренняя резьба. |
| 7818CG/GNP4 | GN = нормальная предварительная нагрузка. P = Литой сепаратор из стеклонаполненного полиамида 6,6, центрируемый по телам качения. |
| 7818CDB/GNP5 | GN = нормальная предварительная нагрузка. P = Литой сепаратор из стеклонаполненного полиамида 6,6, центрируемый по телам качения. |
| 7818CG/GNP42 | GN = нормальная предварительная нагрузка. P = Литой сепаратор из стеклонаполненного полиамида 6,6, центрируемый по телам качения. |
| 5S-7818CG/GNP42 | GN = нормальная предварительная нагрузка. P = Литой сепаратор из стеклонаполненного полиамида 6,6, центрируемый по телам качения. |
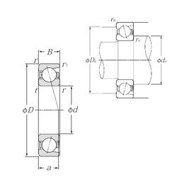
Габаритные размеры
Размеры и геометрические характеристики
Нагрузка и ресурс
Защита
Коэффициенты для расчета
Присоединительные размеры
Конструкция и исполнение
Подшипник однорядный шариковый радиальный 61818 (CRAFT, CX, ISB, ISO, NKE)
Подшипник однорядный шариковый радиальный 61818 Y (FAG, NKE)
Подшипник однорядный шариковый радиальный 61818 2RSR (NKE)
Подшипник однорядный шариковый радиальный 61818 2Z (NKE, ZEN)
Подшипник однорядный шариковый радиальный 61818 2Z.C3 (NKE)
Подшипник шариковый радиальный 1000818 А (ГПЗ-23)