Главная > Подшипники> Шариковые> Радиально-упорные>7814C

7814C — Подшипник шариковый радиально-упорный, импортное производство по ISO стандарту, размер 70x90x10 номер основного исполнения .
Производится брендами: CYSD, NTN.
С = Необслуживаемые концы стержней, внутренняя резьба.
Цена по запросу
Цена на подшипник зависит от:
Габаритные размеры
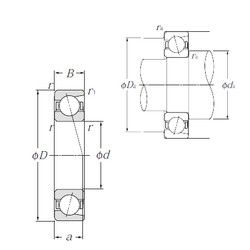
Размеры и геометрические характеристики
Нагрузка и ресурс
Защита
Коэффициенты для расчета
Присоединительные размеры
Конструкция и исполнение
Подшипник однорядный шариковый радиальный 61814 (CRAFT, CX, IBC, ISB, ISO)
Подшипник однорядный шариковый радиальный 61814 Y (FAG, IBC)
Подшипник однорядный шариковый радиальный 61814 2RSY (IBC)
Подшипник однорядный шариковый радиальный 61814 2Z.C3 (IBC)
Подшипник шариковый радиальный 1000814 АК (ГПЗ-23)