Главная > Подшипники> Шариковые> Радиально-упорные>7812C

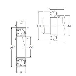
7812C — Подшипник шариковый радиально-упорный, импортное производство по ISO стандарту, размер 60x78x10 номер основного исполнения .
Производится брендами: CYSD, NTN.
С = Необслуживаемые концы стержней, внутренняя резьба.
Цена по запросу
Цена на подшипник зависит от:
Габаритные размеры
Размеры и геометрические характеристики
Нагрузка и ресурс
Защита
Коэффициенты для расчета
Присоединительные размеры
Конструкция и исполнение
Подшипник однорядный шариковый радиальный 61812 (CRAFT, CX, ISB, ISO, NKE)
Подшипник однорядный шариковый радиальный 61812 Y (FAG, NKE)
Подшипник однорядный шариковый радиальный 61812 2RS (CRAFT, ISB, ISO, NKE, ZEN)
Подшипник однорядный шариковый радиальный 61812 2RSR (NKE)
Подшипник однорядный шариковый радиальный 61812 2Z (NKE, ZEN)