Главная > Подшипники> Шариковые> Радиально-упорные>7809C

7809C — Подшипник шариковый радиально-упорный, импортное производство по ISO стандарту, размер 45x58x7 номер основного исполнения 7809.
Производится брендами: CYSD, NTN.
С = Необслуживаемые концы стержней, внутренняя резьба.
Цена по запросу
Цена на подшипник зависит от:
| Обозначение | Модификация |
|---|---|
| 7809CDB | С = Необслуживаемые концы стержней, внутренняя резьба. |
| 7809CDT | С = Необслуживаемые концы стержней, внутренняя резьба. |
| 7809CDF | Комплект подшипников расположенных лицом к лицу, дуплексная Х-образная пара. |
| 7809CG/GNP42 | GN = нормальная предварительная нагрузка. P = Литой сепаратор из стеклонаполненного полиамида 6,6, центрируемый по телам качения. |
| 5S-7809CG/GNP42 | GN = нормальная предварительная нагрузка. P = Литой сепаратор из стеклонаполненного полиамида 6,6, центрируемый по телам качения. |
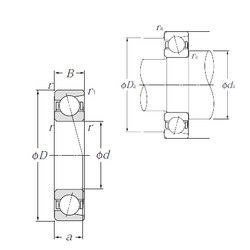
Габаритные размеры
Размеры и геометрические характеристики
Нагрузка и ресурс
Защита
Коэффициенты для расчета
Присоединительные размеры
Конструкция и исполнение
Подшипник однорядный шариковый радиальный 61809 (CRAFT, CX, IBC, ISB, ISO)
Подшипник однорядный шариковый радиальный 61809 2Z.C3 (IBC)
Подшипник однорядный шариковый радиальный 61809 ZZ (CRAFT, CX, IBC, ISO)
Подшипник однорядный шариковый радиальный 61809 2RSY (IBC)
Подшипник однорядный шариковый радиальный 61809 2Z (IBC, NKE, ZEN)