Главная > Подшипники> Шариковые> Упорные>7603100-TVP

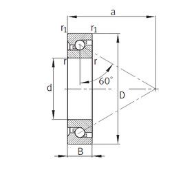
7603100-TVP — Осевой радиально-упорный шарикоподшипник, импортное производство по ISO стандарту, размер 100x215x47 номер основного исполнения .
Производитель: FAG.
TVP = сегментный сепаратор, изготовленный из армированного стекловолокном полиамида PA66 направленная по роликам.
Цена по запросу
Цена на подшипник зависит от:
Габаритные размеры
Размеры и геометрические характеристики
Нагрузка и ресурс
Защита
Присоединительные размеры
Конструкция и исполнение
Подшипник роликовый сферический 21320 (ISB, NTN, SKF)
Подшипник однорядный шариковый радиальный 6-320 (AST, CRAFT, CX, CYSD, FAG)
Однорядный цилиндрический роликовый подшипник NJ320 (CRAFT, FAG, FBJ, ISB, ISO)
Подшипник роликовый радиальный 52320
Подшипник роликовый радиальный самоцентрирующийся 20320 (FAG, ISO)
Подшипник шариковый радиальный сферический двухрядный с цилиндрическим отверстием внутреннего кольца 1320 (ГПЗ-1)