Главная > Подшипники>7603095-TVP

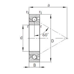
7603095-TVP — Осевой радиально-упорный шарикоподшипник, импортное производство по ISO стандарту, размер 95x200x45 номер основного исполнения .
Производитель: FAG.
TVP = сегментный сепаратор, изготовленный из армированного стекловолокном полиамида PA66 направленная по роликам.
Цена по запросу
Цена на подшипник зависит от:
Габаритные размеры
Размеры и геометрические характеристики
Нагрузка и ресурс
Защита
Присоединительные размеры
Конструкция и исполнение
Подшипник шариковый однорядный радиально-упорный 7319 (CYSD, FAG, KOYO, NACHI, NTN)
Подшипник однорядный шариковый радиальный 6-319 (AST, CRAFT, CX, CYSD, FAG)
Однорядный цилиндрический роликовый подшипник NJ319 (CRAFT, FAG, FBJ, ISB, ISO)
Подшипник роликовый радиальный самоцентрирующийся 20319 (FAG, ISO)
Подшипник роликовый сферический 21319 (ISB, NTN, SKF)
Подшипник шариковый двухрядный самоустанавливающийся 1319 (CRAFT, CX, FAG, ISB, ISO)