Главная > Подшипники> Шариковые> Упорные>7603080-TVP

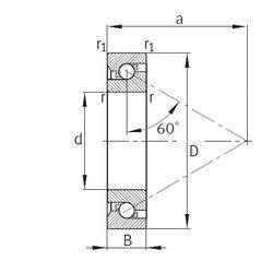
7603080-TVP — Осевой радиально-упорный шарикоподшипник, импортное производство по ISO стандарту, размер 80x170x39 номер основного исполнения .
Производитель: FAG.
TVP = сегментный сепаратор, изготовленный из армированного стекловолокном полиамида PA66 направленная по роликам.
Цена по запросу
Цена на подшипник зависит от:
Габаритные размеры
Размеры и геометрические характеристики
Нагрузка и ресурс
Защита
Присоединительные размеры
Конструкция и исполнение
Подшипник шариковый радиально-упорный 7-316 (ГПЗ-4)
Подшипник шариковый радиальный 6-316 (ГПЗ-4)
Однорядный цилиндрический роликовый подшипник NJ316 (CRAFT, FBJ, ISB, ISO, KOYO)
Подшипник роликовый радиально-упорный 32316 (ГПЗ-4)
Подшипник роликовый сферический 20316 (FAG, ISO)
Подшипник роликовый сферический 21316 (ISB, NTN, SKF)