Главная > Подшипники> Шариковые> Упорные>7603065-TVP

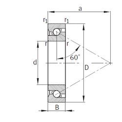
7603065-TVP — Осевой радиально-упорный шарикоподшипник, импортное производство по ISO стандарту, размер 65x140x33 номер основного исполнения .
Производитель: FAG.
TVP = сегментный сепаратор, изготовленный из армированного стекловолокном полиамида PA66 направленная по роликам.
Цена по запросу
Цена на подшипник зависит от:
Габаритные размеры
Размеры и геометрические характеристики
Нагрузка и ресурс
Защита
Присоединительные размеры
Конструкция и исполнение
Подшипник шариковый радиальный 6-313 (ГПЗ-23)
Однорядный цилиндрический роликовый подшипник NJ313 (CRAFT, FAG, FBJ, ISB, ISO)
Однорядный цилиндрический роликовый подшипник NU313 (CRAFT, FAG, FBJ, ISB, ISO)
Подшипник роликовый сферический 20313 (FAG, ISO, SIGMA)
Подшипник роликовый сферический 21313 (IBC, ISB, NTN)
Подшипник шариковый радиальный сферический двухрядный с цилиндрическим отверстием внутреннего кольца 1313