Главная > Подшипники> Шариковые> Упорные>7603055-TVP

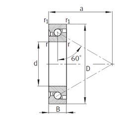
7603055-TVP — Осевой радиально-упорный шарикоподшипник, импортное производство по ISO стандарту, размер 55x120x29 номер основного исполнения .
Производитель: FAG.
TVP = сегментный сепаратор, изготовленный из армированного стекловолокном полиамида PA66 направленная по роликам.
Цена по запросу
Цена на подшипник зависит от:
Габаритные размеры
Размеры и геометрические характеристики
Нагрузка и ресурс
Защита
Присоединительные размеры
Конструкция и исполнение
Однорядный цилиндрический роликовый подшипник NU311 (CRAFT, FAG, FBJ, ISB, ISO)
Подшипник шариковый радиальный 6-311 (ГПЗ-23)
Однорядный цилиндрический роликовый подшипник NJ311 (CRAFT, FAG, FBJ, ISB, ISO)
Подшипник роликовый сферический 20311 (FAG, ISO, SIGMA)
Подшипник роликовый сферический 21311 (ISB, NTN, SKF)
Подшипник шариковый радиальный сферический двухрядный с цилиндрическим отверстием внутреннего кольца 1311