Главная > Подшипники> Шариковые> Упорные>7603050-TVP

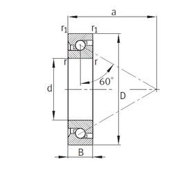
7603050-TVP — Шариковый радиально-упорный подшипник однонаправленный, импортное производство по ISO стандарту, размер 50x110x27 номер основного исполнения .
Производитель: FAG.
TVP = сегментный сепаратор, изготовленный из армированного стекловолокном полиамида PA66 направленная по роликам.
Цена по запросу
Цена на подшипник зависит от:
Габаритные размеры
Размеры и геометрические характеристики
Нагрузка и ресурс
Защита
Присоединительные размеры
Конструкция и исполнение
Однорядный цилиндрический роликовый подшипник NU310 (CRAFT, FAG, FBJ, ISB, ISO)
Однорядный цилиндрический роликовый подшипник NJ310 (CRAFT, FAG, FBJ, ISB, ISO)
Подшипник шариковый радиальный 6-310 (ГПЗ-1)
Подшипник роликовый радиальный с короткими цилиндрическими роликами без бортов на наружном кольце 62310
Подшипник роликовый сферический 21310 (ISB, SKF)
Подшипник шариковый радиальный сферический двухрядный с цилиндрическим отверстием внутреннего кольца 1310