Главная > Подшипники> Шариковые> Упорные>7603020-TVP

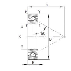
7603020-TVP — Шариковый радиально-упорный подшипник однонаправленный, импортное производство по ISO стандарту, размер 20x52x15 номер основного исполнения .
Производитель: FAG.
TVP = сегментный сепаратор, изготовленный из армированного стекловолокном полиамида PA66 направленная по роликам.
Цена по запросу
Цена на подшипник зависит от:
Габаритные размеры
Размеры и геометрические характеристики
Нагрузка и ресурс
Защита
Присоединительные размеры
Конструкция и исполнение
Однорядный цилиндрический роликовый подшипник NU304 (FBJ, IBC, ISB, ISO, KOYO)
Однорядный цилиндрический роликовый подшипник NJ304 (FAG, FBJ, ISB, ISO, KOYO)
Подшипник шариковый радиальный 6-304 (ГПЗ-2)
Подшипник роликовый радиальный самоцентрирующийся 20-304 (ISO, SIGMA)
Подшипник шариковый радиальный сферический двухрядный с цилиндрическим отверстием внутреннего кольца 1304
Подшипник шариковый радиальный однорядный 304