Главная > Подшипники> Шариковые> Упорные>7602085-TVP

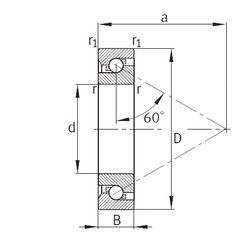
7602085-TVP — Шариковый радиально-упорный подшипник однонаправленный, импортное производство по ISO стандарту, размер 85x150x28 номер основного исполнения .
Производитель: FAG.
TVP = сегментный сепаратор, изготовленный из армированного стекловолокном полиамида PA66 направленная по роликам.
Цена по запросу
Цена на подшипник зависит от:
Габаритные размеры
Размеры и геометрические характеристики
Нагрузка и ресурс
Защита
Присоединительные размеры
Конструкция и исполнение
Однорядный цилиндрический роликовый подшипник NJ217 (CRAFT, FAG, FBJ, ISB, ISO)
Однорядный цилиндрический роликовый подшипник NU217 (CRAFT, FBJ, ISB, ISO, KOYO)
Подшипник шариковый радиальный 6-217
Подшипник роликовый сферический 20217 (FAG, ISO)
Подшипник шариковый радиальный сферический двухрядный с цилиндрическим отверстием внутреннего кольца 1217 (ГПЗ-8)