Главная > Подшипники> Шариковые> Упорные>7602060-TVP

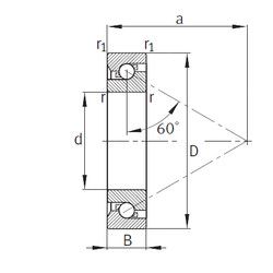
7602060-TVP — Шариковый радиально-упорный подшипник однонаправленный, импортное производство по ISO стандарту, размер 60x110x22 номер основного исполнения .
Производитель: FAG.
TVP = сегментный сепаратор, изготовленный из армированного стекловолокном полиамида PA66 направленная по роликам.
Цена по запросу
Цена на подшипник зависит от:
Габаритные размеры
Размеры и геометрические характеристики
Нагрузка и ресурс
Защита
Присоединительные размеры
Конструкция и исполнение
Однорядный цилиндрический роликовый подшипник NJ212 (CRAFT, FBJ, ISB, ISO, KOYO)
Однорядный цилиндрический роликовый подшипник NU212 (CRAFT, FBJ, ISB, ISO, KOYO)
Подшипник шариковый радиальный 6-212
Подшипник шариковый радиальный 4-212 (ГПЗ-3)
Подшипник роликовый сферический 20212 (FAG, ISO)