Главная > Подшипники> Шариковые> Упорные>7602020-2RS-TVP

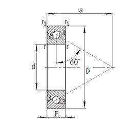
7602020-2RS-TVP — Шариковый радиально-упорный подшипник однонаправленный, импортное производство по ISO стандарту, размер 20x47x14 номер основного исполнения .
Производитель: FAG.
2RS = резиновые уплотнения с каждой стороны подшипника. Т = TVH = сепаратор из полиамида .
Цена по запросу
Цена на подшипник зависит от:
Габаритные размеры
Размеры и геометрические характеристики
Нагрузка и ресурс
Защита
Присоединительные размеры
Конструкция и исполнение
Однорядный цилиндрический роликовый подшипник NJ204 (CRAFT, FAG, FBJ, ISB, ISO)
Однорядный цилиндрический роликовый подшипник NU204 (CRAFT, FBJ, ISB, ISO, KOYO)
Подшипник шариковый радиально-упорный QJ204 (CX, ISO, NKE)
Подшипник шариковый радиально-упорный однорядный разъемный со съемным наружным кольцом с углом контакта 12 6204 (ГПЗ-11)
Подшипник шариковый радиальный 4-204 (ГПЗ-4)