Главная > Подшипники> Шариковые> Упорные>7602017-TVP

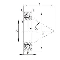
7602017-TVP — Шариковый радиально-упорный подшипник однонаправленный, импортное производство по ISO стандарту, размер 17x40x12 номер основного исполнения .
Производитель: FAG.
TVP = сегментный сепаратор, изготовленный из армированного стекловолокном полиамида PA66 направленная по роликам.
Цена по запросу
Цена на подшипник зависит от:
Габаритные размеры
Размеры и геометрические характеристики
Нагрузка и ресурс
Защита
Присоединительные размеры
Конструкция и исполнение
Однорядный цилиндрический роликовый подшипник N203 (AST, CYSD, ISB, ISO, NACHI)
Однорядный цилиндрический роликовый подшипник NJ203 (CYSD, FAG, ISB, ISO, NACHI)
Однорядный цилиндрический роликовый подшипник NU203 (CYSD, ISB, ISO, NACHI, NIS)
Подшипник шариковый радиальный 6-203
Подшипник шариковый радиальный сферический двухрядный с цилиндрическим отверстием внутреннего кольца 5-1203 (ГПЗ-2)