Главная > Подшипники> Шариковые> Упорные>7602015-2RS-TVP

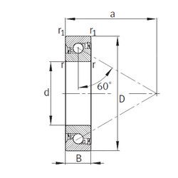
7602015-2RS-TVP — Шариковый радиально-упорный подшипник однонаправленный, импортное производство по ISO стандарту, размер 15x35x11 номер основного исполнения .
Производитель: FAG.
2RS = резиновые уплотнения с каждой стороны подшипника. Т = TVH = сепаратор из полиамида .
Цена по запросу
Цена на подшипник зависит от:
Габаритные размеры
Размеры и геометрические характеристики
Нагрузка и ресурс
Защита
Присоединительные размеры
Конструкция и исполнение
Однорядный цилиндрический роликовый подшипник NJ202 (CYSD, FAG, ISB, ISO, NIS)
Однорядный цилиндрический роликовый подшипник NU202 (CYSD, ISB, ISO, NIS, NKE)
Подшипник шариковый радиальный 6-202
Подшипник шариковый радиальный сферический двухрядный с цилиндрическим отверстием внутреннего кольца 5-1202 (ГПЗ-2)
Подшипник шариковый радиальный двухрядный 4-202