Главная > Подшипники> Шариковые> Радиально-упорные>75TAH10DB

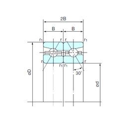
75TAH10DB — Радиально-упорный шарикоподшипник, импортное производство по ISO стандарту, размер 75x115x18 номер основного исполнения .
Производитель: NACHI.
D = профиль наружного кольца, усовершенствованный, с увеличенной зоной несущей нагрузки и оптимизированными краевыми переходами.
Цена по запросу
Цена на подшипник зависит от:
Габаритные размеры
Размеры и геометрические характеристики
Нагрузка и ресурс
Защита
Конструкция и исполнение
Радиально-упорный шарикоподшипник 75BAR10H (NSK)
Радиально-упорный шарикоподшипник 75BAR10S (NSK)
Радиально-упорный шарикоподшипник 75BTR10H (NSK)
Радиально-упорный шарикоподшипник 75TBH10DB (NACHI)
Радиально-упорный шарикоподшипник 75BTR10S (NSK)
Сверхточный двухнаправленный радиально-упорный шарикоподшипник BTM 75 BTN9/P4CDB (SKF)