Главная > Подшипники> Роликовые > Радиально-упорные>749R/742

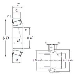
749R/742 — Подшипник роликовый радиально-упорный, импортное производство по ISO стандарту, размер 85x150x44 номер основного исполнения .
Производитель: KOYO.
R = Наружное кольцо с фланцем .
Цена от:2 101 р.
Цена на подшипник зависит от:
Габаритные размеры
Размеры и геометрические характеристики
Нагрузка и ресурс
Защита
Коэффициенты для расчета
Присоединительные размеры
Конструкция и исполнение
Подшипник для корпуса UK217 (CX, FAG, ISO, KOYO, SNR)
Подшипник роликовый радиальный самоцентрирующийся 22217-2RS (ISB)
Подшипник роликовый радиальный самоцентрирующийся 22217-2RSK (ISB)
Подшипник роликовый сферический BS2-2217-2CSK/VT143 (SKF)
Подшипник роликовый сферический BS2-2217-2CS/VT143 (SKF)
Подшипник роликовый сферический WS22217-E1-2RSR (FAG)