Главная > Подшипники> Роликовые > Радиально-упорные>745AR/742

745AR/742 — Подшипник роликовый радиально-упорный, импортное производство по ISO стандарту, размер 69x150x44 номер основного исполнения .
Производитель: KOYO.
A = Модифицированная внутренняя конструкция. R = Наружное кольцо с фланцем.
Цена по запросу
Цена на подшипник зависит от:
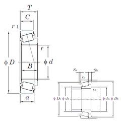
Габаритные размеры
Размеры и геометрические характеристики
Нагрузка и ресурс
Защита
Коэффициенты для расчета
Присоединительные размеры
Конструкция и исполнение
Конический роликоподшипник 4T-745A/742 (NTN)
Конический роликоподшипник 744A/742 (TIMKEN)
Однорядный конический роликовый подшипник 745A/742 (CX, FBJ, ISO, NACHI, NIS)