Главная > Подшипники> Роликовые > Радиально-упорные>74550A/74850

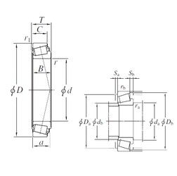
74550A/74850 — Однорядный конический роликовый подшипник, импортное производство по ISO стандарту, размер 139x215x47 номер основного исполнения .
Производится брендами: AST, CX, ISO, KOYO, TIMKEN.
A = внутренняя модификация конструкции.
Цена от:5 133 р.
Цена на подшипник зависит от:
Габаритные размеры
Размеры и геометрические характеристики
Нагрузка и ресурс
Защита
Коэффициенты для расчета
Присоединительные размеры
Конструкция и исполнение
Прочие характеристики
Цилиндрический роликоподшипник 74550A/74846X (NSK)
Цилиндрический роликоподшипник 74550/74846X (NSK)
Подшипник роликовый радиально-упорный 200139X/ 200215 (Gamet)
Подшипник роликовый радиально-упорный 200139X/200215XC (Gamet)
Подшипник роликовый радиально-упорный 200139X/ 200215X (Gamet)
Подшипник роликовый радиально-упорный 200139X/200215C (Gamet)