Главная > Подшипники> Роликовые > Радиально-упорные>74537/74856

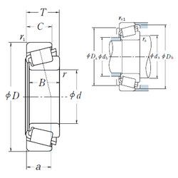
74537/74856 — Однорядный конический роликовый подшипник, импортное производство по ISO стандарту, размер 136x217x47 номер основного исполнения .
Производится брендами: NIS, NSK, TIMKEN.
Цена по запросу
Цена на подшипник зависит от:
Габаритные размеры
Размеры и геометрические характеристики
Нагрузка и ресурс
Защита
Коэффициенты для расчета
Присоединительные размеры
Конструкция и исполнение
Прочие характеристики