Главная > Подшипники> Роликовые > Радиально-упорные>74510D/74850+Y5S-74850

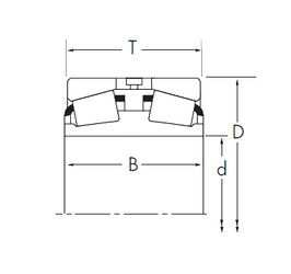
74510D/74850+Y5S-74850 — Конический роликоподшипник, импортное производство по ISO стандарту, размер 130x215x123 номер основного исполнения .
Производитель: TIMKEN.
D = профиль наружного кольца, усовершенствованный, с увеличенной зоной несущей нагрузки и оптимизированными краевыми переходами.
Цена по запросу
Цена на подшипник зависит от:
Габаритные размеры
Размеры и геометрические характеристики
Защита
Конструкция и исполнение