Главная > Подшипники> Роликовые > Радиально-упорные>744/742

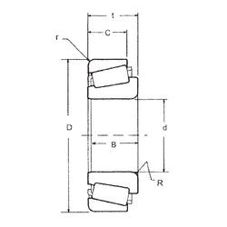
744/742 — Однорядный конический роликовый подшипник, импортное производство по ISO стандарту, размер 73x150x44 номер основного исполнения .
Производится брендами: CX, FBJ, ISO, NACHI, TIMKEN.
Цена от:3 018 р.
Цена на подшипник зависит от:
Габаритные размеры
Размеры и геометрические характеристики
Нагрузка и ресурс
Защита
Коэффициенты для расчета
Присоединительные размеры
Конструкция и исполнение
Конический роликоподшипник 4T-744/742 (NTN)
Подшипник роликовый радиально-упорный 744R/742 (KOYO)