Главная > Подшипники> Шариковые> Радиально-упорные>7414 BGAM

7414 BGAM — однорядный радиально-упорный шарикоподшипник, импортное производство по ISO стандарту, размер 180x70x40 номер основного исполнения .
Производитель: SKF.
B = 40 градусов угол контакта. G = Однорядный радиально-упорный шарикоподшипник для универсального парного монтажа. Два подшипника, установленные по 0-образной или Х-образной схеме, будут иметь определенный осевой зазор в домонтажном состоянии.
Цена от:23 303 р.
Цена на подшипник зависит от:
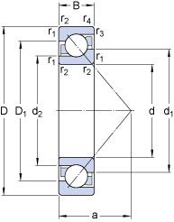
Габаритные размеры
Размеры и геометрические характеристики
Нагрузка и ресурс
Коэффициенты для расчета
Присоединительные размеры
Прочие характеристики