Главная > Подшипники> Шариковые> Радиально-упорные>7413 BCBM

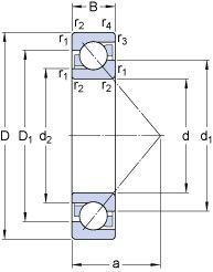
7413 BCBM — Подшипник шариковый однорядный радиально-упорный, импортное производство по ISO стандарту, размер 160x65x36 номер основного исполнения .
Производитель: SKF.
B = 40 градусов угол контакта. CB = подшипник для универсального соответствия. Два подшипника, расположенные друг за другом или лицом к лицу, будут иметь нормальный осевой внутренний зазор перед монтажом.
Цена от:9 689 р.
Цена на подшипник зависит от:
Габаритные размеры
Размеры и геометрические характеристики
Нагрузка и ресурс
Коэффициенты для расчета
Присоединительные размеры
Прочие характеристики