Главная > Однорядные >7411 B.MP

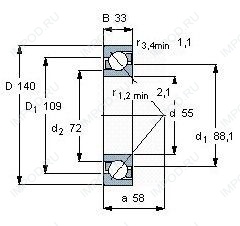
7411 B.MP — Подшипник шариковый однорядный радиально-упорный, импортное производство по ISO стандарту, размер 55x140x33 номер основного исполнения 7411.
Производитель: FAG.
B = 40 градусов угол контакта. M = обработанный латунный сепаратор, расположенныйна элементах качения.
Цена от:7 847 р.
Цена на подшипник зависит от:
| Обозначение | Модификация |
|---|---|
| 7411 | Основное конструктивное исполнение. |
| 7411BG | B = 40 градусов угол контакта. G = Однорядный радиально-упорный шарикоподшипник для универсального парного монтажа. Два подшипника, установленные по 0-образной или Х-образной схеме, будут иметь определенный осевой зазор в домонтажном состоянии. |
| 7411PW | W = Без кольцевой канавки и смазочных отверстий в наружном кольце. |
| 7411 B | B = однокомпонентное ребристое внутреннее кольцо. |
| 7411 A | A = внутренняя модификация конструкции. |
| 7411 BM | B = 40 градусов угол контакта. M = обработанный латунный сепаратор, расположенныйна элементах качения. |
| 7411 ADB | A = Модифицированная внутренняя конструкция. DB = два однорядных радиальных шарикоподшипника, однорядные радиально-упорные шарикоподшипники или однорядные конические роликовые подшипники, подходящие для монтажа в расположении друг к другу. |
| 7411 ADF | Комплект подшипников расположенных лицом к лицу, дуплексная Х-образная пара. |
| 7411 BDF | B = 40 градусов угол контакта. DF = Два однорядных радиальных шарикоподшипника, однорядных радиально-упорных шарикоподшипника или однорядных конических роликоподшипника, согласованные для монтажа по Х-образной схеме. |
| 7411 ADT | T = Механически обработанный сепаратор из текстолита, центрируемый по телам качения. |
| 7411 BDT | BD = Модифицированная внутренняя конструкция, угол контакта α = 30 градусов, без отверстия для заполнения. |
| 7411 BDB | B = 40 градусов угол контакта. DB = два однорядных радиальных шарикоподшипника, однорядные радиально-упорные шарикоподшипники или однорядные конические роликовые подшипники, подходящие для монтажа в расположении друг за другом. |
| 7411 A-UO | A = внутренняя модификация конструкции. |
| 7411 B-UO | B = однокомпонентное ребристое внутреннее кольцо. |
| 7411 B-UX | X = Внешние размеры, соответствующие международным стандартам. |
| 7411 A-UD | A = внутренняя модификация конструкции. |
| 7411 B-UD | D = профиль наружного кольца, усовершенствованный, с увеличенной зоной несущей нагрузки и оптимизированными краевыми переходами. |
| 7411 A-UX | A = внутренняя модификация конструкции. |
| 7411 B.MP.UO | B = 40 градусов угол контакта. M = обработанный латунный сепаратор, расположенныйна элементах качения. |
Подшипник однорядный шариковый радиальный 6411 (CRAFT, CX, FAG, Fersa, ISB)
Подшипник однорядный шариковый радиальный 6411 C3 (FAG)
Подшипник однорядный шариковый радиальный 6412 C3 (FAG)
Однорядный цилиндрический роликовый подшипник NU411 C3 (SKF)
Однорядный цилиндрический роликовый подшипник NU411 M1 (FAG, SKF)
Подшипник шариковый радиальный однорядный с канавкой на наружном кольце и с одной защитной шайбой 150411