Главная > Подшипники> Роликовые > Радиально-упорные>740R/742

740R/742 — Однорядный конический роликовый подшипник, импортное производство по ISO стандарту, размер 80x150x44 номер основного исполнения .
Производитель: KOYO.
R = Наружное кольцо с фланцем .
Цена от:2 388 р.
Цена на подшипник зависит от:
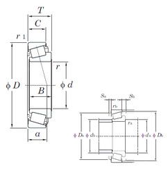
Габаритные размеры
Размеры и геометрические характеристики
Нагрузка и ресурс
Защита
Коэффициенты для расчета
Присоединительные размеры
Конструкция и исполнение
Радиальный шарикоподшипник UKX16 (KOYO)
Конический роликоподшипник 4T-740/742 (NTN)
Однорядный конический роликовый подшипник 740/742 (CX, FBJ, Fersa, ISO, NACHI)
Однорядный конический роликовый подшипник 748/743 (TIMKEN)
Однорядный конический роликовый подшипник 748/742 (TIMKEN)