Главная > Подшипники> Шариковые> Радиально-упорные>7406 A-UX

7406 A-UX — Подшипник шариковый радиально-упорный, импортное производство по ISO стандарту, размер 30x90x46 номер основного исполнения 7406.
Производитель: CX.
X = Внешние размеры, соответствующие международным стандартам.
Цена от:3 388 р.
Цена на подшипник зависит от:
| Обозначение | Модификация |
|---|---|
| 7406 | Основное конструктивное исполнение. |
| 7406W | W = Без кольцевой канавки и смазочных отверстий в наружном кольце. |
| 7406BG | B = 40 градусов угол контакта. G = Однорядный радиально-упорный шарикоподшипник для универсального парного монтажа. Два подшипника, установленные по 0-образной или Х-образной схеме, будут иметь определенный осевой зазор в домонтажном состоянии. |
| 7406 B | B = однокомпонентное ребристое внутреннее кольцо. |
| 7406 A | A = внутренняя модификация конструкции. |
| 7406 BM | B = 40 градусов угол контакта. M = обработанный латунный сепаратор, расположенныйна элементах качения. |
| 7406 BDF | B = 40 градусов угол контакта. DF = Два однорядных радиальных шарикоподшипника, однорядных радиально-упорных шарикоподшипника или однорядных конических роликоподшипника, согласованные для монтажа по Х-образной схеме. |
| 7406 ADF | Комплект подшипников расположенных лицом к лицу, дуплексная Х-образная пара. |
| 7406 BDB | B = 40 градусов угол контакта. DB = два однорядных радиальных шарикоподшипника, однорядные радиально-упорные шарикоподшипники или однорядные конические роликовые подшипники, подходящие для монтажа в расположении друг за другом. |
| 7406 ADB | A = Модифицированная внутренняя конструкция. DB = два однорядных радиальных шарикоподшипника, однорядные радиально-упорные шарикоподшипники или однорядные конические роликовые подшипники, подходящие для монтажа в расположении друг к другу. |
| 7406 ADT | T = Механически обработанный сепаратор из текстолита, центрируемый по телам качения. |
| 7406 BDT | BD = Модифицированная внутренняя конструкция, угол контакта α = 30 градусов, без отверстия для заполнения. |
| 7406 B-UO | B = однокомпонентное ребристое внутреннее кольцо. |
| 7406 A-UD | A = внутренняя модификация конструкции. |
| 7406 B-UX | X = Внешние размеры, соответствующие международным стандартам. |
| 7406 A-UO | A = внутренняя модификация конструкции. |
| 7406 B.MP | B = 40 градусов угол контакта. M = обработанный латунный сепаратор, расположенныйна элементах качения. |
| 7406 BCBM | B = 40 градусов угол контакта. CB = подшипник для универсального соответствия. Два подшипника, расположенные друг за другом или лицом к лицу, будут иметь нормальный осевой внутренний зазор перед монтажом. |
| 7406 B-UD | D = профиль наружного кольца, усовершенствованный, с увеличенной зоной несущей нагрузки и оптимизированными краевыми переходами. |
| 7406 B.MP.UA | B = 40 градусов угол контакта. MP = Цельный латунный сепаратор оконного типа с штампованными или протянутыми карманами, центрируемый по внутреннему или наружному кольцу. U = Самоустанавливающиеся шарикоподшипники серий 115 и 116 без втулки. A = Модифицированная внутренняя конструкция. |
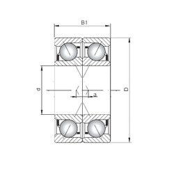
Габаритные размеры
Размеры и геометрические характеристики
Нагрузка и ресурс
Защита
Присоединительные размеры
Конструкция и исполнение
Подшипник шариковый радиально-упорный сдвоенный, наружный кольца обращены друг к другу широкими торцами 266406
Подшипник шариковый радиально-упорный сдвоенный 366406
Подшипник шариковый радиально-упорный сдвоенный 466406
Подшипник шариковый радиально-упорный сдвоенный 5-466406 Э (ГПЗ-4)
Подшипник шариковый радиально-упорный спаренный 5-466406 Л (ГПЗ-4)