Главная > Подшипники> Шариковые> Радиально-упорные>7348A

7348A — Радиально-упорный шарикоподшипник, импортное производство по ISO стандарту, размер 240x500x95 номер основного исполнения 7348.
Производитель: NSK.
A = внутренняя модификация конструкции.
Цена по запросу
Цена на подшипник зависит от:
| Обозначение | Модификация |
|---|---|
| 7348 | Основное конструктивное исполнение. |
| 7348B | B = однокомпонентное ребристое внутреннее кольцо. |
| 7348BG | B = 40 градусов угол контакта. G = Однорядный радиально-упорный шарикоподшипник для универсального парного монтажа. Два подшипника, установленные по 0-образной или Х-образной схеме, будут иметь определенный осевой зазор в домонтажном состоянии. |
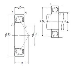
Габаритные размеры
Размеры и геометрические характеристики
Нагрузка и ресурс
Защита
Присоединительные размеры
Конструкция и исполнение
Однорядный цилиндрический роликовый подшипник NU348 (FAG, ISB, ISO, KOYO, NACHI)
Однорядный цилиндрический роликовый подшипник NU348 E.M1 (FAG)
Однорядный цилиндрический роликовый подшипник NU348 E.M1.C3 (FAG)
Подшипник роликовый радиальный с короткими цилиндрическими роликами без бортов на наружном кольце 2348
Подшипник роликовый радиальный с короткими цилиндрическими роликами с однобортовым внутренним кольцом 42348
Подшипник роликовый радиальный с короткими цилиндрическими роликами с однобортовым внутренним кольцом и с плоским упорным кольцом 92348