Главная > Подшипники> Шариковые> Радиально-упорные>7340 BCBM

7340 BCBM — однорядный радиально-упорный шарикоподшипник, импортное производство по ISO стандарту, размер 420x200x80 номер основного исполнения 7340.
Производитель: SKF.
B = 40 градусов угол контакта. CB = подшипник для универсального соответствия. Два подшипника, расположенные друг за другом или лицом к лицу, будут иметь нормальный осевой внутренний зазор перед монтажом.
Цена от:156 556 р.
Цена на подшипник зависит от:
| Обозначение | Модификация |
|---|---|
| 7340 | Основное конструктивное исполнение. |
| 7340 B | B = однокомпонентное ребристое внутреннее кольцо. |
| 7340 A | A = внутренняя модификация конструкции. |
| 7340DF | Комплект подшипников расположенных лицом к лицу, дуплексная Х-образная пара. |
| 7340DT | T = Механически обработанный сепаратор из текстолита, центрируемый по телам качения. |
| 7340DB | D = профиль наружного кольца, усовершенствованный, с увеличенной зоной несущей нагрузки и оптимизированными краевыми переходами. |
| 7340BDB | B = 40 градусов угол контакта. DB = два однорядных радиальных шарикоподшипника, однорядные радиально-упорные шарикоподшипники или однорядные конические роликовые подшипники, подходящие для монтажа в расположении друг за другом. |
| 7340 ADT | T = Механически обработанный сепаратор из текстолита, центрируемый по телам качения. |
| 7340 BDF | B = 40 градусов угол контакта. DF = Два однорядных радиальных шарикоподшипника, однорядных радиально-упорных шарикоподшипника или однорядных конических роликоподшипника, согласованные для монтажа по Х-образной схеме. |
| 7340 ADF | Комплект подшипников расположенных лицом к лицу, дуплексная Х-образная пара. |
| 7340 ADB | A = Модифицированная внутренняя конструкция. DB = два однорядных радиальных шарикоподшипника, однорядные радиально-упорные шарикоподшипники или однорядные конические роликовые подшипники, подходящие для монтажа в расположении друг к другу. |
| 7340 BDT | BD = Модифицированная внутренняя конструкция, угол контакта α = 30 градусов, без отверстия для заполнения. |
| 7340 A-UD | A = внутренняя модификация конструкции. |
| 7340 A-UX | A = внутренняя модификация конструкции. |
| 7340 B-UD | D = профиль наружного кольца, усовершенствованный, с увеличенной зоной несущей нагрузки и оптимизированными краевыми переходами. |
| 7340 B-UX | X = Внешние размеры, соответствующие международным стандартам. |
| 7340 B-UO | B = однокомпонентное ребристое внутреннее кольцо. |
| 7340 A-UO | A = внутренняя модификация конструкции. |
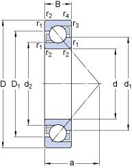
Габаритные размеры
Размеры и геометрические характеристики
Нагрузка и ресурс
Коэффициенты для расчета
Присоединительные размеры
Прочие характеристики
Однорядный цилиндрический роликоподшипник NJ 340 ECML (SKF)
Однорядный цилиндрический роликовый подшипник NU 340 ECML (SKF)