Главная > Однорядные >7316 B.JP

7316 B.JP — Подшипник шариковый однорядный радиально-упорный, импортное производство по ISO стандарту, размер 80x170x39 номер основного исполнения 7316.
Производитель: FAG.
P = Литой сепаратор из стеклонаполненного полиамида 6,6, центрируемый по телам качения.
Цена от:4 733 р.
Цена на подшипник зависит от:
| Обозначение | Модификация |
|---|---|
| 7316 | Основное конструктивное исполнение. |
| 7316G | G = Однорядный радиально-упорный шарикоподшипник для универсального парного монтажа. Два подшипника, установленные по 0-образной или Х-образной схеме, будут иметь определенный осевой зазор в домонтажном состоянии. |
| 7316B | B = однокомпонентное ребристое внутреннее кольцо. |
| 7316WN | W = Без кольцевой канавки и смазочных отверстий в наружном кольце. |
| 7316BG | B = 40 градусов угол контакта. G = Однорядный радиально-упорный шарикоподшипник для универсального парного монтажа. Два подшипника, установленные по 0-образной или Х-образной схеме, будут иметь определенный осевой зазор в домонтажном состоянии. |
| 7316 A | A = внутренняя модификация конструкции. |
| 7316AC | AC = Угол контакта 25 градусов. |
| 7316DF | Комплект подшипников расположенных лицом к лицу, дуплексная Х-образная пара. |
| 7316 C | С = Необслуживаемые концы стержней, внутренняя резьба. |
| 7316DB | D = профиль наружного кольца, усовершенствованный, с увеличенной зоной несущей нагрузки и оптимизированными краевыми переходами. |
| 7316DT | T = Механически обработанный сепаратор из текстолита, центрируемый по телам качения. |
| 7316BEP | Радиально-упорный шарикоподшипник с угол контакта - 40. Оптимизированная внутренняя конструкция. Сепаратор армирован стекловолокном с шаровым центром. |
| 7316 BW | B = 40 градусов угол контакта. W = стальной сепаратор. |
| 7316BGM | B = 40 градусов угол контакта. G = Однорядный радиально-упорный шарикоподшипник для универсального парного монтажа. Два подшипника, установленные по 0-образной или Х-образной схеме, будут иметь определенный осевой зазор в домонтажном состоянии. |
| 7316BEA | A = внутренняя модификация конструкции. |
| 7316 ADB | A = Модифицированная внутренняя конструкция. DB = два однорядных радиальных шарикоподшипника, однорядные радиально-упорные шарикоподшипники или однорядные конические роликовые подшипники, подходящие для монтажа в расположении друг к другу. |
| 7316 CDT | С = Необслуживаемые концы стержней, внутренняя резьба. |
| 7316 CDB | С = Необслуживаемые концы стержней, внутренняя резьба. |
| 7316 ADT | T = Механически обработанный сепаратор из текстолита, центрируемый по телам качения. |
| 7316 BDT | BD = Модифицированная внутренняя конструкция, угол контакта α = 30 градусов, без отверстия для заполнения. |
| 7316 BDF | B = 40 градусов угол контакта. DF = Два однорядных радиальных шарикоподшипника, однорядных радиально-упорных шарикоподшипника или однорядных конических роликоподшипника, согласованные для монтажа по Х-образной схеме. |
| 7316 BDB | B = 40 градусов угол контакта. DB = два однорядных радиальных шарикоподшипника, однорядные радиально-упорные шарикоподшипники или однорядные конические роликовые подшипники, подходящие для монтажа в расположении друг за другом. |
| 7316 ADF | Комплект подшипников расположенных лицом к лицу, дуплексная Х-образная пара. |
| 7316 BEM | Радиально-упорный шарикоподшипник с углом контакта 40. Оптимизированная внутренняя конструкция. Обработанный латунный сепаратор центрируемый по шарику. |
| 7316 CDF | Комплект подшипников расположенных лицом к лицу, дуплексная Х-образная пара. |
| 7316 B-UD | D = профиль наружного кольца, усовершенствованный, с увеличенной зоной несущей нагрузки и оптимизированными краевыми переходами. |
| 7316 B-UO | B = однокомпонентное ребристое внутреннее кольцо. |
| 7316 A-UO | A = внутренняя модификация конструкции. |
| 7316 A-UD | A = внутренняя модификация конструкции. |
| 7316 B.MP | B = 40 градусов угол контакта. M = обработанный латунный сепаратор, расположенныйна элементах качения. |
| 7316 C-UO | С = Необслуживаемые концы стержней, внутренняя резьба. |
| 7316 B-UX | X = Внешние размеры, соответствующие международным стандартам. |
| 7316 A-UX | A = внутренняя модификация конструкции. |
| 7316 C-UD | С = Необслуживаемые концы стержней, внутренняя резьба. |
| 7316 C-UX | С = Необслуживаемые концы стержней, внутренняя резьба. |
| 7316 BECBY | ЕС = эксцентриковый фиксатор воротника с утопленным внутренним кольцом на одной стороне. |
| 7316-B-TVP | TVP = сегментный сепаратор, изготовленный из армированного стекловолокном полиамида PA66 направленная по роликам. |
| 7316 BEGAY | BE = однорядный радиально-упорный шарикоподшипник с углом контакта 40 градусов и оптимизированной внутренней конструкцией. GA = Однорядный радиально-упорный шарикоподшипник для универсального соответствия. Два подшипника, расположенные друг за другом или лицом к лицу, будут иметь легкую предварительную нагрузку. Y = (Сегментный тип клетки, код Y) = штампованная латунный сепаратор с центром на элементах качения. |
| 7316 BECBM | B = 40 градусов угол контакта. M = обработанный латунный сепаратор, расположенныйна элементах качения. |
| 7316 BEGAP | Радиально-упорный шарикоподшипник с углом контакта 40. Оптимизированная внутренняя конструкция. Подшипник для универсального сопряжения. Два подшипника, расположенных вплотную друг к другу или лицом к лицу, имеют небольшой предварительный натяг. Сепаратор армирован стекловолокном. |
| 7316 BEGBY | Y = Штампованный латунный сепаратор, центрируемый по телам качения. |
| 7316 BECCM | Радиальный сферический роликоподшипник исполнения С с улучшенным ведением роликов и, благодаря этому, сниженным потерям на трение. |
| 7316 BECBJ | BE = однорядный радиально-упорный шарикоподшипник с углом контакта 40 градусов и оптимизированной внутренней конструкцией. CB = подшипник для универсального соответствия. Два подшипника, расположенные друг за другом или лицом к лицу, будут иметь нормальный осевой внутренний зазор перед монтажом. J = Прессованный стальной сепаратор оконного типа, сферическая по центру. |
| 7316 BECBP | ЕС = эксцентриковый фиксатор воротника с утопленным внутренним кольцом на одной стороне. |
| 7316 BEGAM | A = внутренняя модификация конструкции. |
| 7316BECBPH | ЕС = эксцентриковый фиксатор воротника с утопленным внутренним кольцом на одной стороне. |
| 7316-BE-MP | Радиально-упорный шарикоподшипник с углом контакта 40. Оптимизированная внутренняя конструкция. Обработанный латунный сепаратор центрируемый по шарику. |
| 7316 B.MP.UA | B = 40 градусов угол контакта. MP = Цельный латунный сепаратор оконного типа с штампованными или протянутыми карманами, центрируемый по внутреннему или наружному кольцу. U = Самоустанавливающиеся шарикоподшипники серий 115 и 116 без втулки. A = Модифицированная внутренняя конструкция. |
| 7316-BECB-MP | B = 40 градусов угол контакта. M = обработанный латунный сепаратор, расположенныйна элементах качения. |
| 7316 B.TVP.UA | TVP = сегментный сепаратор, изготовленный из армированного стекловолокном полиамида PA66 направленная по роликам. |
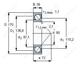
Габаритные размеры
Размеры и геометрические характеристики
Нагрузка и ресурс
Присоединительные размеры
Прочие характеристики
Подшипник шариковый радиально-упорный 7-316 (ГПЗ-4)
Подшипник шариковый радиальный 6-316 (ГПЗ-4)
Однорядный цилиндрический роликовый подшипник NJ316 (CRAFT, FBJ, ISB, ISO, KOYO)
Подшипник роликовый радиально-упорный 32316 (ГПЗ-4)
Подшипник роликовый сферический 20316 (FAG, ISO)
Подшипник роликовый сферический 21316 (ISB, NTN, SKF)